西藏利達LD6800G-2輸入/輸出模塊接線安裝技術
介紹:
西藏利達LD6800G-2采用單片機和智能軟件,特殊防潮技術、表面貼裝(SMT)生產工藝和插拔式結構設計,工作穩定可靠,具有較強的抗干擾能力。主要用于防火卷簾門、消防風機、消防泵等設備的控制,可以與西藏利達公司生產的全系列火災報警控制器配合使用。本產品無污染、功耗低,適用于各種工業及民用建筑。滿足GB16806-2006《消防聯動控制系統》、CCCF-CPRZ-15《消防類產品認證實施規則》, 取得消防產品認證證書。
功能:
★ 二總線,無極性。
★ 電源總線,有極性。
★ 采用電子編碼,占兩個連續地址點(1~255)。
★ 可輸出 2 路 DC 24V/1A 電壓信號。
★ 可輸入 2 個聯動設備動作后的反饋輸入信號。
★ 電源總線斷電、輸入線路斷線、輸出線路短路或斷路時,模塊返回故障信息。
★ 可通過模塊類型設置實現輸入輸出信號的靈活設置,輸入信號可選擇無源常開節點或無源常閉節點輸入,輸出信號可選擇電平輸出或脈沖輸出。
主要技術指標:


外形結構示意圖:

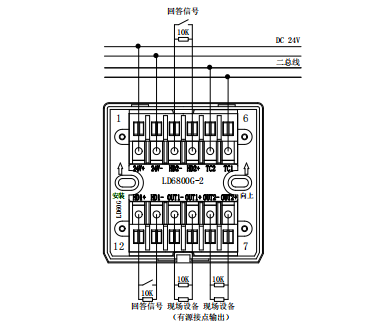
接線示意圖:

備注:HD-、OUT-可共用一根線。
安裝步驟:與 LD4400G-1 相同。



蘇公網安備32058102002170號
客服1